産品列表PRODUCTS LIST
|
QJB型低速潛水推流器又稱,潛水推流器,潛水推進器,QJB低速潛水推流器,QJB低速潛水推進器,QDT低速潛水推流器,QDT低速潛水推進器,氧化溝推流器,公司爲您提供QJB低速潛水推流器,新價格,廠家,選型,安裝,圖紙,設計,軸承,電纜線,軸承,機封,葉輪等,咨詢
三、QJB型潛水推流器的工作原理:
|
||||||||||||||||||||||||||||||||||||||||||||||||||||||||||||||||||||||||||||||||||||||||||||||||||||||||
|
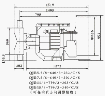
QJB型潛水推流器 混合型适用于污水處理廠的工藝流程中推進攪拌含有懸浮物的污水、稀泥漿、工業過程液體等,創建水流,加強攪拌功能,防止污泥沉澱及産生死角,是市政和工業污水處理工藝流程上的重要設備,在水處理工藝流程中,可實現生化過程中固液二相和固液氣三相的均質,流動的工藝要求。QJB型潛水攪拌機由潛水電機、葉槳和安裝系統等組成。根據傳動方式的不同,潛水攪拌機可分爲:混合攪拌和低速推流兩大系列。 混合攪拌系列産品常選用多級電機,采用直聯式結構,它與傳統相比,具有結構緊湊、能耗低、效率高、便于維便于維護保養等優點。葉輪制造精度高、推力大。QJB型潛水攪拌機系列産品适用于需要固液攪拌、混合的場合QJB型潛水攪拌機的結構:
2、QJB型潛水攪拌機葉輪具有佳的水力設計結構,工作效率高,後掠式葉片具有自潔功能可防雜物纏繞、堵塞。 3、QJB型潛水攪拌機與曝氣系統混合使用可使能耗大幅度降低,充氧量明顯提高,有效防止沉澱。 4、QJB型潛水攪拌機電機繞組絕緣等級爲F級,防護等級爲IP68,選用軸承和的電機防凝露裝置,使電機的工作更加安全可靠。 5、QJB型潛水攪拌機有兩道機械密封,材質爲碳化鎢-碳化鎢,所有外露緊固件均爲不鏽鋼。 6、根據工藝要求,直聯式QJB型潛水攪拌機可配用導流罩。 7、QJB型潛水攪拌機的不鏽鋼、碳鋼精鑄焊接葉槳,經優化設計葉片呈後掠式,效率高,具有自潔功能。
8、QJB型潛水攪拌機内部設有洩漏傳感器和定子繞組超溫保護報警裝置。
1、污水(廢水)/活性污泥的混合 2、控制濃縮污泥分離 3、酸、堿中和及PH值調整工藝 4、防止顆粒在池壁和池底的凝結和沉澱
5、提高傳熱系統的效率
2、介質的PH值在5-9 3、介質密度不超過115KG/M^3
4、長期潛水運行,潛水深度一般不超過20米
針對特殊環境下的要求,我公司可爲用戶提供特殊設計。
|
||||||||||||||||||||||||||||||||||||||||||||||||||||||||||||||||||||||||||||||||||||||||||||||||||||||||
|
|
||||||||||||||||||||||||||||||||||||||||||||||||||||||||||||||||||||||||||||||||||||||||||||||||||||||||
|
||||||||||||||||||||||||||||||||||||||||||||||||||||||||||||||||||||||||||||||||||||||||||||||||||||||||
|
|
||||||||||||||||||||||||||||||||||||||||||||||||||||||||||||||||||||||||||||||||||||||||||||||||||||||||
|
爲保證潛水攪拌機取得佳效果,請使用方提供如下資料: 1、運用目的 2、池型 3、池尺寸 4、介質特性包括粘度、密度、固體物含量等。 潛水攪拌機所需要的配套功率是按容積大小,攪拌液體的密度、粘度和攪拌深度而确定的,根據具體情況應采用一台或多台攪拌機。
注:
2、潛水攪拌機必須*潛入水中工作,不能在易燃易爆的環境下或有強腐蝕性液體的環境中工作,小潛入深度900mm。
|
||||||||||||||||||||||||||||||||||||||||||||||||||||||||||||||||||||||||||||||||||||||||||||||||||||||||
|
|
||||||||||||||||||||||||||||||||||||||||||||||||||||||||||||||||||||||||||||||||||||||||||||||||||||||||
|
十一、QJB型潛水攪拌機的流場圖:
|
||||||||||||||||||||||||||||||||||||||||||||||||||||||||||||||||||||||||||||||||||||||||||||||||||||||||
|
注:1、潛水攪拌機的安裝系統,可在無需排出池中污水的情況下,快速安裝和拆卸潛水攪拌機; 2、安裝系統I隻适用于池深<4m,機型爲QJBO.85/8和QJBl.5/6,且可在水平方向和垂直方向調節角度;當池深>4m時,應選用安裝系統II型。 3、安裝系統II、III導杆可沿水平方向繞導杆軸線旋轉,大轉角爲±60°; 4、當H>4m時需,在導杆中間添加一支撐架; 5、支撐架和下托架與池壁、池底均用膨脹螺栓或化學錨栓固定,無需預留孔; 6、客戶定貨時,請提供池深H及池型圖,以便确定導杆尺寸和支撐架個數; 7、安裝系統材質采用不鏽鋼和碳鋼防腐可供選擇; 8、多台攪拌機可共用一套起吊系統。 |
||||||||||||||||||||||||||||||||||||||||||||||||||||||||||||||||||||||||||||||||||||||||||||||||||||||||
|
|
||||||||||||||||||||||||||||||||||||||||||||||||||||||||||||||||||||||||||||||||||||||||||||||||||||||||
|
十三、QJB型潛水攪拌機運行實況:
|
||||||||||||||||||||||||||||||||||||||||||||||||||||||||||||||||||||||||||||||||||||||||||||||||||||||||
|
||||||||||||||||||||||||||||||||||||||||||||||||||||||||||||||||||||||||||||||||||||||||||||||||||||||||
|
|
||||||||||||||||||||||||||||||||||||||||||||||||||||||||||||||||||||||||||||||||||||||||||||||||||||||||
|
||||||||||||||||||||||||||||||||||||||||||||||||||||||||||||||||||||||||||||||||||||||||||||||||||||||||
|
|
||||||||||||||||||||||||||||||||||||||||||||||||||||||||||||||||||||||||||||||||||||||||||||||||||||||||
|
||||||||||||||||||||||||||||||||||||||||||||||||||||||||||||||||||||||||||||||||||||||||||||||||||||||||