JBK生化池框式攪拌機-南京蘭江泵業有限公司

    <dd id="rjtsi_b00avld_tazgsob"></dd>
      <blockquote id="e2f1s_z3s_oo0"></blockquote>
      
      

      産品列表PRODUCTS LIST

      JBK生化池框式攪拌機

      簡要描述:

      JBK生化池框式攪拌機該種葉輪在罐内移動的流量大,水平回✍🏻轉流占支配地位,不具有良好的混合均一性,然而在罐壁附近的流速比其他葉輪,能達到大的傳熱膜系 數

      分享到: 1
      在線留言
      JBK生化池框式攪拌機

      JBK生化池框式攪拌機

      一、産品介紹
      根據不同介質的物理學性質、容量、攪拌目的選擇相應的攪拌機,對促進化學反應速度、提高生産效😵‍💫率能起到很大的作用。一般使用于粥狀物料的攪拌,絮凝🏃🏿‍♀️‍➡️加藥攪拌

       框式攪拌機 ,其結構比較堅固,攪動物料量大。如果這類攪拌機底部👨🏻‍🏭形狀和反應釜下封頭形狀相似時,通常稱爲錨式攪拌機。直徑較大,一般取反應器内徑的2/3~9/10,50~70r/min。使用😵‍💫于低粘度液體時,錨式葉輪的🤶🏾葉徑與罐徑比爲0.7~0.9,對⛹🏻‍♀️于高黏度液體則爲0.8~0.95,轉速通常👌爲10~50r/min。攪拌機 與釜壁間隙較小,有利于傳熱過程的進行,快速旋轉時,攪拌機葉片所帶動的液體把靜止層從反應釜壁上帶下來;慢速旋轉時,有刮闆的攪拌機能産生良好的熱傳導。這類🙈攪拌機常用于傳熱、晶析操作和高粘🙈度液體、高濃度淤漿和沉降性淤漿的攪拌。

      錨式、屬于同一類,統稱絮凝攪拌機,爲了增大攪拌範圍和帶走💌罐壁上的殘留物或液層,錨攪拌機的👩🏿‍❤️‍💋‍👨🏽外廓要接近攪拌罐的内壁,其底部的形狀爲适應罐底的輪廓也有橢圓、錐形等。爲了增大對高粘度物料的攪拌範圍以及提高葉輪的剛性,還常常要💑🏾在錨式及框式上增加一💯些立葉和橫梁,這樣使得錨框式的結👽構形狀出現了多種多樣。
      二、槳型分類根據其形狀大緻可分爲:錨式、橢圓框式、錐底框式、方框式以及錨框式等 。

      JBK生化池框式攪拌機
      三、适用黏度
      适用的黏度爲200~300Pa·s。
      四、應用領域
      攪拌機通常在低速下運行,在攪拌低粘度液體時不産生大的剪切力,因此它不适用于液-液和氣-液 分散。另一個方✍🏻面,該種葉輪在罐内移動的流量大🤑,水平回轉流占支配地位,不具有良好的混合均一…性,然而在🧎🏻‍♀️‍➡️罐壁附近的流速比其他葉輪,能達到大🧑🏽‍🎄的傳熱膜系 數,故常用于傳熱、晶析操作。另外,由于槳葉直徑較大,且與罐底貼近,也常用它來攪🙈拌高濃度淤漿和沉澱性淤漿。還有它也常用于高粘度流體的攪拌。
      五、流動狀态
      不同高度上的水平環向流。
      六、結構
      攪拌機與 攪拌軸的連接方式類似于槳式,即葉輪與攪拌軸連接的一端制成半圓狀的軸環,然後兩㊙️側葉🎅🏿片的兩個半圓環用🙂‍↔️螺栓在攪拌軸上夾緊,同時用穿軸螺栓來固定葉片與攪 拌軸。由于葉輪的外廓尺寸大,爲便于裝拆,葉片之間多數是螺栓連💘接,隻有小型的采用鑄造或焊接。葉輪以扁鋼、角鋼🏃🏿‍♀️‍➡️制造居多,爲了提高葉輪的強度,也可采用 加🧑🏽‍❤️‍💋‍🧑🏻筋的鋼闆。

       


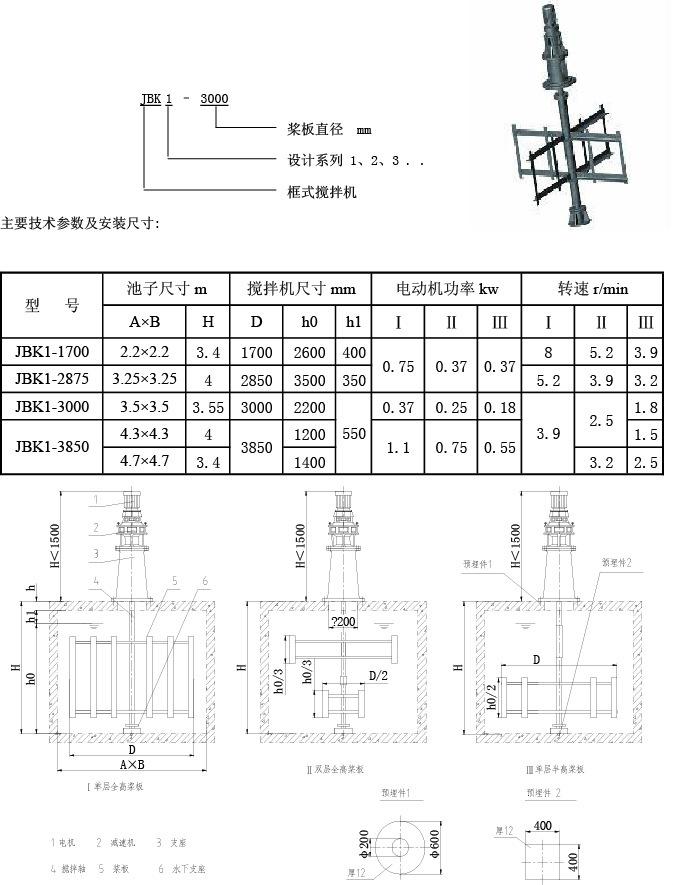
      型号參數
      池子尺寸m 攪拌機尺寸mm 電動機動率KW 轉速r/min
      A×B H D h0 h1
      JBK-1700 2.2×2.2 3.4 1700 2600 400 0.75 0.37 0.37 8 5.2 3.9
      JBK-2875 3.25×3.25 4 2875 3500 350 5.2 3.9 3.2
      JBK-3000 3.5×3.5 3.55 3000 2200 550 0.37 0.25 0.18 3.9 2.5 1.8
      JBK-3580 4.3×4.3 4 3580 1200 1.1 0.75 0.55 1.5
      4.7×4.7 3.4 1400 3.2 2.5

      用途

      主要用于給水廠、污水處理廠投加藥劑的溶解攪拌。

       

       型号表示方法;

      産品包

       

      半成品圖:框式攪拌機,立式慢速攪拌機,絮凝池攪🙈拌機,立式~攪拌機

      配件圖:

       

      成品圖:

      發貨圖:

      現場安裝圖:

      購前須知:

       

      聯系人
      在線客服
      掃碼關注我們
      用心服務 成就你我
      
          <dd id="rjtsi_b00avld_tazgsob"></dd>
        <blockquote id="e2f1s_z3s_oo0"></blockquote>