産品列表PRODUCTS LIST
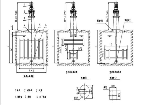
JBK闆框式加藥攪拌器價格由攪拌軸、框式攪拌槳葉、軸🧜🏼♂️承裝置😁、機座和驅動裝置組成。
當原水與混凝劑或助凝劑混合液體流經沉澱池🙂↔️時在攪拌機的排液作用下産生流動循環,使水中👾的膠體顆粒發生碰撞、吸附并逐漸結成一定大小的礬花⛹🏻♂️,使絕大部分礬花截留在沉澱池内。
一、用途
:
JBK闆框式加藥攪拌器價格
适用于給水排水處理的混凝過程中的絮凝攪拌。
二、特點 :
1. 構造簡單、運行可靠、無堵塞現象,維護簡便。
2.可滿足絮凝規律的要求,使絮凝過程中各段具有…不同👧🏾的💁🏼♀️攪😁拌強度,可以适應水量和水溫的變化。水頭損失小,池體結構簡單,外加能量組合方便。
3. 設置無級調速後可随水量、原水濁度和投藥量的變化而調整攪拌強度,達到滿意的絮凝效果,節約藥劑🏃🏿♀️➡️的用量。
構造及工作過程:
JBK闆框式加藥攪拌器價格
如圖所示,由攪拌軸、框式攪拌槳葉、軸承裝置、機座和驅動🔞裝🔞置組成。
當原水與混凝劑或助凝劑混合液體流經沉澱池時在攪⛹🏻♀️拌機的排液作用下産生流動循環,使水中的膠體顆粒發生碰撞、吸附并逐漸結成一定大小的礬花🔞,使絕大部分礬花截留在沉澱池内。
三、框式攪拌機
可視爲槳式攪拌機的變形,其結構比較堅固,攪動物料量大。如果這類攪拌機底部形狀和反應釜下封頭形狀相似🏃🏻♀️時,通💔常稱爲錨式攪拌機。框式攪拌機直徑較大,一💔般取反應器内徑的2/3~9/10,50~70r/min。使用于低粘度液體時,錨式葉輪的😘葉徑與罐徑比爲0.7~0.9,對于高黏度~液體則爲0.8~0.95,轉速通常爲10~50r/min。框式攪拌機與釜壁間隙較小,有利于傳熱過程的進行,快速旋轉時,攪拌機葉片所帶動的液體👋把靜止😵💫層從反應~釜壁上帶下來;慢速旋轉時,有刮闆的攪拌機能産生良好的熱傳導。這類攪拌機常用于傳熱、晶🏃🏿♀️➡️析操作和高粘度液體、高濃度淤漿和沉降性⛹🏻♂️淤漿的攪拌。
錨式、框式攪拌機屬于同一類,統稱錨框式攪拌機,爲了增大攪拌範圍和帶走罐壁上的殘留物或液層,錨👩🍼框式攪拌😁機的外廓要接近攪拌罐的内壁,其底部的形狀爲适應罐底的輪廓也有橢圓、錐形等。爲了增大對高粘度㊙️物料的攪拌範圍以及提高葉輪的剛性,還常常要在錨式及框式上增加一些立💞葉和橫梁,這樣🧑🏻❤️🧑🏼使得錨框式的結構形狀出現了多種多樣。
錨式、橢圓框式、錐底框式、方框式以及錨框式等 。
适用的高黏度爲200~300Pa·s。
錨框式攪拌機通常在低速下運行,在攪拌低粘度🧑🏽🎄液體👩🏼❤️👨🏾時不産生大的剪切力,因此它不适用于液-液和氣-液分😌散。另一個✡️方面,該種葉輪在罐内移動的流量大,水平回轉流占支配地位,不具有良好的混合均一性,然而在罐壁附近的🔞流速比其他葉輪,能達到大的傳😁熱膜系數,故常用于傳熱😵💫、晶析操作。另外,由于槳葉直🛀🏼徑較大,且與罐底貼近,也常用♌️它來攪拌高濃度淤漿和沉澱性淤漿。還有它也常用于😮💨高粘度流體的攪拌。
不同高度上的水平環向流。
錨框式攪拌機與攪拌軸的連接方式類似于槳式,即葉輪與攪拌軸連接的一端制成半圓狀的軸環,然後兩側葉片的兩個半👹圓環用螺栓在攪拌軸上夾緊,同時用穿軸螺栓來固定葉片與攪拌軸。由于葉輪的外廓尺寸大,爲便于裝拆,葉片之間多數是👹螺栓連接,隻💫有小型的采㊙️用鑄造或焊接。葉輪以扁鋼、角鋼制造居多,爲了提高葉輪的強度,也可采用👽加筋的鋼🧑🏽🎄闆。
九、電氣控制
:
按手動配置控制箱,可帶PLC接口,亦可按用戶要求配置。
十、訂貨說明
:
1、可根據用戶的尺寸制造;
2、 注明主體材質,碳鋼或不鏽鋼;
3、 訂貨時必須提供相關的工藝、土建資料及詳細技術要👨🦰求等
| 型号參數 | 池子尺寸m | 攪拌機尺寸mm | 電動機動率KW | 轉速r/min | |||||||
| A×B | H | D | h0 | h1 | Ⅰ | Ⅱ | Ⅲ | Ⅰ | Ⅱ | Ⅲ | |
| JBK-1700 | 2.2×2.2 | 3.4 | 1700 | 2600 | 400 | 0.75 | 0.37 | 0.37 | 8 | 5.2 | 3.9 |
| JBK-2875 | 3.25×3.25 | 4 | 2875 | 3500 | 350 | 5.2 | 3.9 | 3.2 | |||
| JBK-3000 | 3.5×3.5 | 3.55 | 3000 | 2200 | 550 | 0.37 | 0.25 | 0.18 | 3.9 | 2.5 | 1.8 |
| JBK-3580 | 4.3×4.3 | 4 | 3580 | 1200 | 1.1 | 0.75 | 0.55 | 1.5 | |||
| 4.7×4.7 | 3.4 | 1400 | 3.2 |
2.5
|
|||||||